ΰµÂ¹ÙÍøLVF001ÊÇÒ»¿îTO-39½ðÊô·â×°¡¢¿íÊÓ³¡½Ç¡¢µÍÔëÉùµÄÄ£ÄâµçѹÐͺìÍâ»ðÑæ´«¸ÐÆ÷£¬£¬£¬£¬£¬£¬£¬£¬¿Éͨ¹ýʶ±ð»ðÑæÌØÓеÄÖкìÍâ·øÉäʵÏÖ¿ìËÙ¡¢Îȹ̵ĻðÑæ¼ì²â£¬£¬£¬£¬£¬£¬£¬£¬ÆÕ±éÓ¦ÓÃÓÚ»ðÔÖ±¨¾¯¡¢¹¤ÒµÇå¾²¼à¿Ø¼°ÖÖÖÖ»ðÑæÊ¶±ð×°±¸¡£¡£¡£¡£¡£¡£¡£
»ðÑæÌ½²âÆ÷
µ¥Í¨µÀ
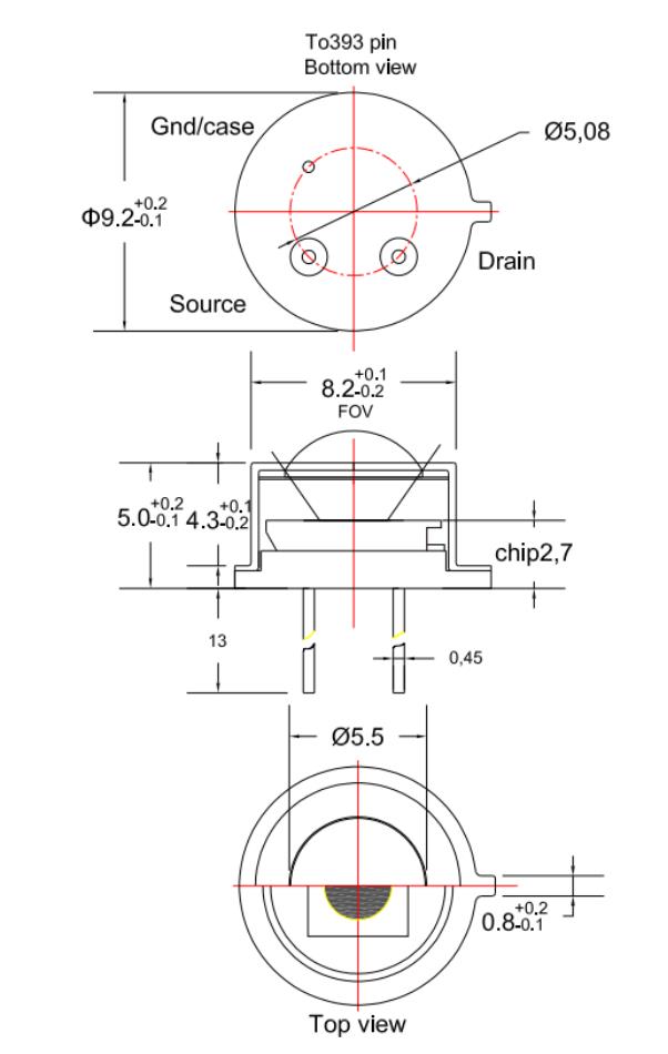
TO-39·â×°
µçѹģʽ
1¡¢ÐÔÄܲÎÊý
ÊÖÒÕÖ¸±ê ·ûºÅ µä·¶Öµ µ¥Î» ´°¿Ú³ß´ç §¶5.5 mm Ãô¸ÐÇøÓò³ß´ç As §¶2.5 mm µçʱ¼ä³£Êý ¦ÓE 6.0 S ÈÈʱ¼ä³£Êý ¦ÓT 200 MS Ô´¼«Ö±Á÷ÊÂÇéµçѹ Vs 0.4¡ª0.7 V ÊÂÇéµçѹ Vd 2-15 V ÊÓ³¡½Ç FOV >110 ¡ã Êä³öÔëÉùµçѹ Vn <170 nVrms/Hz1/2 µçѹÏìÓ¦ÂÊ£¨ÎÞ´°¿Ú£©{500K,10Hz,25¡æ} Rv >500 V/W ±È̽²âÂÊ£¨ÎÞ´°¿Ú£©{500K,10Hz,BW 1Hz,25¡æ} D >4¡Á108 cm Hz1/2/W ÊÂÇéζȹæÄ£ -40¡ª+80 ¡æ
2¡¢µä·¶ÂË¹âÆ¬²ÎÊý,ÆäËû²ÎÊý¿Éƾ֤¿Í»§ÏêϸҪÇó¶¨ÖÆ
| ÖÐÐIJ¨³¤CWL | 4400nm | 3800nm | 5300nm |
| °ë¸ß¿íHPB | 450nm | 140nm | 180nm |
| ̽²âÆ÷ÐͺŠDetector type | LVF001-I-01 | LVF001-H-01 | LVF001-D-01 |
²úÆ·³ß´çͼ
