Íâ¹Û £º?5
²úÆ·ÌØÕ÷£ºµÍ¹¦ºÄ ¸ß¿É¿¿ÐÔ Ò»ÖÂÐÔ¸ß
¹âµçÁ÷£ºVDD=5V, EV=10Lux 5-15uA
·åÖµ¸Ð¹â²¨³¤£º520nm
¸Ð¹â²¨³¤¹æÄ££º450-700nm
¹¦ºÄ£º70mW
ÍÆ¼öÅäÌ×£º¸ßÎȹ̵ç×è
ɰÔLLS05-A¹âÃô´«¸ÐÆ÷Ìæ»»¹Å°å¹âÃôµç×è (CdS)
²»º¬ïÓ¡¢Ç¦µÈÓк¦ÎïÖÊ£¬£¬£¬£¬£¬£¬£¬ÇкÏÅ·ÃË ROHS ±ê×¼
×Ô¶¯µ÷ÀíÅä¾°¹â£¬£¬£¬£¬£¬£¬£¬Èç LCD£¬£¬£¬£¬£¬£¬£¬ÊÖ»ú£¬£¬£¬£¬£¬£¬£¬ÕÕÏà»ú£¬£¬£¬£¬£¬£¬£¬µçÄÔÉãÏñÍ·µÈ
ÊÊÓÃÓÚÖÖÖÖ¹â¿ØÕÕÃ÷²úÆ·ºÍ¹â¿ØÍæ¾ß£ºÈçСҹµÆµÈ
ÊÊÓÃÓÚÖÖÖÖºìÍâ¼à¿ØÀà²úÆ·
·åÖµ¸Ð¹â²¨³¤520nm
µÍ¹¦ºÄ
¸ß¿É¿¿ÐÔ
ÅúÁ¿Ò»ÖÂÐԺ㬣¬£¬£¬£¬£¬£¬ÍêÈ«½â¾öµÆÆð¶¯¹ýÔç»òÒ»ÖÂÐÔÇ·ºÃµÈÏÖÏñ
ÏìÓ¦ËÙÂʿ죬£¬£¬£¬£¬£¬£¬ÐÔÄÜÎȹ̣¬£¬£¬£¬£¬£¬£¬+85¡æ¸ßÎÂ/65%¸ßʪÌõ¼þÏÂÀÏ»¯1000HÆð¶¯µã²»Æ¯ÒÆ
¿É°´ÒªÇóÌṩ²î±ðÍâÐͳߴ磬£¬£¬£¬£¬£¬£¬Àû±ã×°ÖÃÓÚ²úÆ·µÄÈκÎλÖÃ
1.×î´ó¶î¶¨Öµ£¨Ta=25¡æ£©
²ÎÊýÃû³Æ ·ûºÅ ¶î¶¨Öµ µ¥Î» ¼¯µç¼«-·¢É伫µçѹ VCEO 20 V ·¢É伫-¼¯µç¼«µçѹ VCEO 5 V ¹¦ºÄ Pc 70 mW ÊÂÇéÎÂ¶È Topr -25~+85 ¡æ Öü´æÎÂ¶È Tstg -40~+100 ¡æ
2.¹âµçÌØÕ÷£¨Ta=25¡æ£©×¢£º²âÊÔ¹âÔ´½ÓÄÉ2850K É«ÎÂLED
²ÎÊýÃû³Æ ·ûºÅ ²âÊÔÌõ¼þ ×îСֵ µä·¶Öµ ×î´óÖµ µ¥Î» ¹âµçÁ÷ IL(1) VDD=5V,EV=10LUX 5 10 15 ¦ÌA IL(2) VDD=5V,EV=50LUX 50 ¦ÌA IL(3) VDD=5V,EV=100LUX 50 100 150 ¦ÌA °µµçÁ÷ ICEO VDD=5V,EV=0LUX 0.2 ¦ÌA ¸Ð¹â·åÖµ²¨³¤ ¦Ëp 520 nm ¸Ð¹â²¨³¤¹æÄ£ ¦Ëd 450 700 nm ¼¯µç¼«-·¢É伫µçѹ Bvceo IC=100uA Ee=0mW/cm2 70 v ·¢É伫-¼¯µç¼«µçѹ Bveco IE=10uA Ee=0mW/cm2 30 v ¼¯µç¼«·¢É伫±¥ºÍµçѹ Vce(sat) IC=2mA Ee=1mW/cm2 0.4 v ÏìӦʱ¼ä ¿ªÆôʱ¼ä TR VCE=5V,IC=1mA RL=10K¦¸ 10 ¦Ìs ¹Ø±Õʱ¼ä TR 15
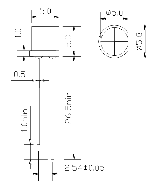
²úÆ·³ß´çͼ


