ΰµÂ¹ÙÍø

ΰµÂ¹ÙÍø

ΰµÂ¹ÙÍø¹ÉƱ´úÂ룺300701רעÈÈÊ͵çºìÍâ´«¸ÐÆ÷Ñз¢ÖÆÔì20Äê

ͳһÏúÊÛÈÈÏߣº400-180-3005
Ä¿½ñλÖãºÊ×Ò³>²úÆ·ÖÐÐÄ>ÈÈÊ͵çºìÍâ´«¸ÐÆ÷

BS412

ÈÈÊ͵çºìÍâ´«¸ÐÆ÷

  • ÈÈÊ͵çºìÍâ´«¸ÐÆ÷

  • Êä³öÐźţºÆéá«µçÆ½Êä³ö

  • ´°¿Ú³ß´ç£º3*4mm

  • ¸ÐÓ¦¾àÀ룺12M£¨Í¸¾µSB-F-02£©²î±ð¾àÀëÏê¼û͸¾µÑ¡ÐÍ

  • ¸ÐÓ¦½Ç¶È£º120¡ã£¨Ë®Æ½Æ«Ïò£©

  • ÊÂÇéµçѹ£º2.2-3.7V

  • ¾²Ì¬¹¦ºÄ£º£¼12uA

BS412ÈÈÊ͵çºìÍâ´«¸ÐÆ÷
BS412ÈÈÊ͵çºìÍâ´«¸ÐÆ÷

²úÆ·¸ÅÊö

É­°ÔBS412ÐͺÅÊÇÒ»¸ö½«Êý×ÖÖÇÄÜ¿ØÖƵç·ÓëÈËÌå̽²âÃô¸ÐÔª¶¼¼¯³ÉÔÚµç´ÅÆÁÕÏÕÖÄÚµÄÈÈÊ͵çºìÍâ´«¸ÐÆ÷¡£¡£¡£¡£¡£ÈËÌå̽²âÃô¸ÐÔª½«¸ÐÓ¦µ½µÄÈËÌåÒÆ¶¯ÐźÅͨ¹ýÒ»¸öÉõ¸ß×迹²î·ÖÊäÈëµç·ñîºÏµ½Êý×ÖÖÇÄܼ¯³Éµç·оƬÉÏ£¬£¬ £¬£¬£¬£¬£¬Êý×ÖÖÇÄܼ¯³Éµç·½«ÐźÅת»¯³ÉÊý×ÖÐźţ¬£¬ £¬£¬£¬£¬£¬µ±PIRÐźÅÁè¼ÝÑ¡¶¨µÄÊý×Ö·§ÖµÊ±¾Í»áÓÐÑÓʱµÄRELµçƽÊä³ö¡£¡£¡£¡£¡£Ê±¼ä²ÎÊýͨ¹ýµç×èÉèÖ㬣¬ £¬£¬£¬£¬£¬ÓÃÒÔ¿ØÖÆÓõçÆ÷Ò»Á¬ÊÂÇéµÄÑÓʱʱ¼ä¡£¡£¡£¡£¡£ËùÓеÄÐźŴ¦Öóͷ£¶¼ÔÚÒ»¸öоƬÉÏÍê³É¡£¡£¡£¡£¡£

²úÆ·ÌØÕ÷

  • Êý×ÖÐźŴ¦Öóͷ£

  • µÍµçѹ¡¢µÍ¹¦ºÄ£¬£¬ £¬£¬£¬£¬£¬ÈÈ»úʱ¼ä¶Ì

  • µçÔ´ÒÖÖÆ±È¸ß£¬£¬ £¬£¬£¬£¬£¬¿¹É䯵×ÌÈÅ

  • ÌØÊâÄÚÖúìÍâ´«¸ÐÆ÷µÄ¶þ½×°ÍÌØÎÖ˹´øÍ¨Â˲¨Æ÷£¬£¬ £¬£¬£¬£¬£¬ÆÁÕÏÆäËüƵÂʵÄÊäÈë×ÌÈÅ

  • ¾ßÓÐ׼ʱʱ¼ä,²¢Ä£Äâʱ¼äÒ»Á¬¿Éµ÷

  • ÎȹÌÐԺá¢ÓÐÓÃÒÖÖÆÖØ¸´ÎóÐж¯

  • Ó¦Óõç·¼òÆÓ

Êý¾Ý²ÎÊý

1.¼«ÏÞÖµ £¨Áè¼ÝÏÂÃæ±í¸ñÖÐÊýÖµ¿ÉÄÜÔì³ÉÆ÷¼þµÄÓÀÊÀÐÔË𻵣©

²ÎÁ¿·ûºÅ×îСֵ×î´óÖµµ¥Î»
ÊÂÇéζÈTST-3070¡æ
ÈκÎÒý½Å¼«ÏÞInto-100100mA
´æ´¢Î¶ÈTST-4080
¡æ

2.ÊÂÇéÌõ¼þ(T=25¡ãC, Vdd=3V£¬£¬ £¬£¬£¬£¬£¬³ýÉÐÓл®¶¨Íâ)

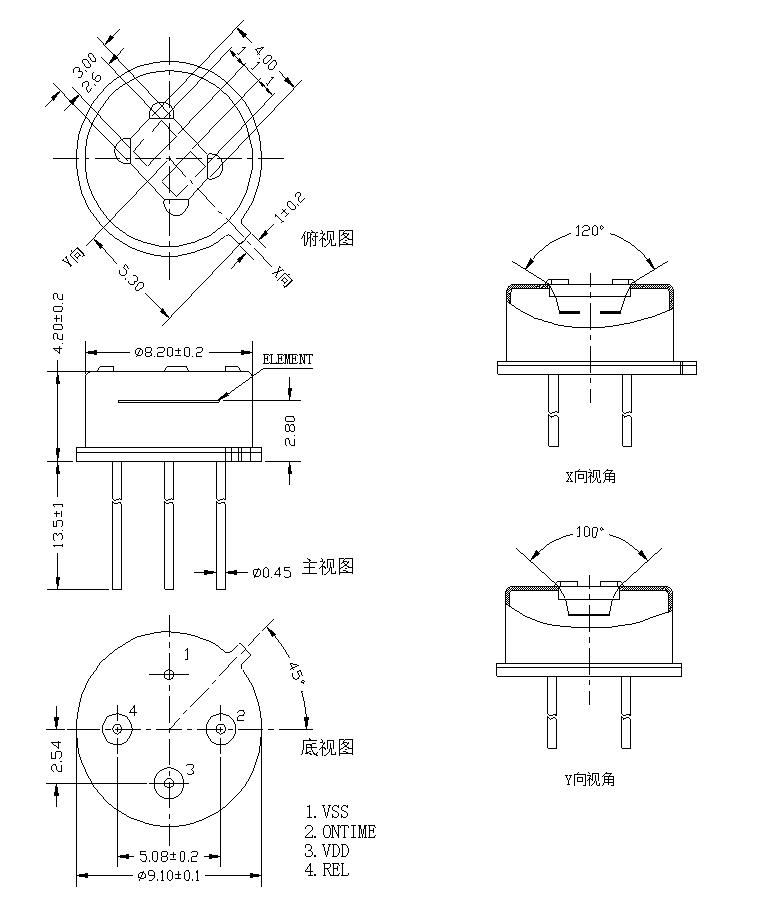
²úÆ·³ß´çͼ

΢ÐÅͼƬ_20220915171513.jpg

×¢ÖØÊÂÏî

  1. ´«¸ÐÆ÷µÄ³ö³§²ÎÊý£¬£¬ £¬£¬£¬£¬£¬¾ùÔÚ±ê×¼ºÚÌå¼°Îȹ̲âÊÔÇéÐÎϾ­ÓÉÊý·ÖÖÓÎȹÌʱ¼äºó²âÊÔÈ¡µÃ¡£¡£¡£¡£¡£

  2. ´«¸ÐÆ÷ÐèÍÅ½á·ÆÄù¶û͸¾µÊ¹ÓõִïÀíÏëµÄ¸ÐÓ¦½Ç¶È¼°¸ÐÓ¦¾àÀë¡£¡£¡£¡£¡£

  3. ´«¸ÐÆ÷µÄ¸ÐÓ¦¾àÀëÓëÇéÐÎÎÂʪ¶È¡¢ÊÕÂÞÄ¿µÄµÄζȺÍÒÆ¶¯Æ«Ïò¡¢·ÆÄù¶û͸¾µ¡¢·Å´ó±¶ÊýÉèÖþùÓÐÖ±½Ó¹ØÏµ£¬£¬ £¬£¬£¬£¬£¬Ê¹ÓÃʱÇë×ÛºÏ˼Á¿¡£¡£¡£¡£¡£

  4. ´«¸ÐÆ÷ÄÚ²¿Ãô¸ÐÔª¼þ½ÏΪ±¡´à£¬£¬ £¬£¬£¬£¬£¬Ê¹ÓÃʱÇëÇáÄÃÇá·Å£¬£¬ £¬£¬£¬£¬£¬¸ßƵÕ𾪻òµøÂäײ»÷¿ÉÄܵ¼ÖÂÃô¸ÐÔª¼þ±¬·¢¶ÏÁÑ¡£¡£¡£¡£¡£

  5. ´«¸ÐÆ÷´°¿ÚΪ¹è»ù°ëµ¼ÌåÌØÊâÖÊÁÏÕæ¿Õ¶ÆÄ¤Â˹⾵Ƭ£¬£¬ £¬£¬£¬£¬£¬Ê¹ÓÃʱÇëÎðÓÃÊÖ»òÓ²ÎïÖ±½Ó½Ó´¥¡£¡£¡£¡£¡£

  6. ´«¸ÐÆ÷´°¿ÚÑ¡ÐÍ£ºÄ£ÄâÖ±²å˫Ԫ²úÆ·£ºS£º3*4mm£¬£¬ £¬£¬£¬£¬£¬B£º3.8*5mm£¬£¬ £¬£¬£¬£¬£¬Êý×ÖÖ±²å˫Ԫ²úÆ·£ºS£º3*4mm£¬£¬ £¬£¬£¬£¬£¬L£º3.8*5mm£¬£¬ £¬£¬£¬£¬£¬M£º4.2*5.2mm,Ö±²åËÄÔª²úÆ·£ºX£º4*4mm£¬£¬ £¬£¬£¬£¬£¬Q£º4.9*4.9mm¡£¡£¡£¡£¡£ÏêÇéÇëÓëÓªÒµÔ±Ïàͬ¡£¡£¡£¡£¡£

  7. ´«¸ÐÆ÷ÒýÏß³¤¶ÈÑ¡ÐÍ£ºÍ¨ÀýĬÈÏ13.5mm£¬£¬ £¬£¬£¬£¬£¬ÈôÓÐÆäËûÐèÇó¿ÉÏêѯӪҵԱ£¬£¬ £¬£¬£¬£¬£¬Ö§³Ö¶¨ÖÆÒýÏß³¤¶È¡£¡£¡£¡£¡£

  8. ´«¸ÐÆ÷ÆäËûÏêϸÐÅÏ¢ÇëÏê¼û²úƷ˵Ã÷Êé¡£¡£¡£¡£¡£

¶©»õ×Éѯ

ÇëÁôÏÂÄúµÄÏà¹ØÐÅÏ¢£¬£¬ £¬£¬£¬£¬£¬ÉÔºó»á°²ÅžͽüµØÇøÓªÒµÖ°Ô±ÓëÄúÁªÏµ¡£¡£¡£¡£¡£

»Øµ½¶¥²¿
ÍøÕ¾µØÍ¼